Justerbar 25Mm i gruppen Hydraulikk / Hydraulikk / Hydraulikknipler & rørkoblinger hos Sagroparts (DIN20325S)
Video

Justerbar 25Mm

360 NOK
inkl. mva
3–6 arbeidsdagers levering Sporing fra Sverige med PostNord Fast tollkostnad 95 NOK + mvaIngen skjulte avgifter i etterkant
 
Legg i handlekurven
Lägg i kundvagnen

bet alt
  • Info
  • Lagerstatus
    ArtikkelnummerDIN20325S
    Produsent
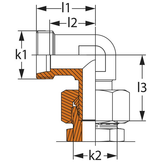
    Egenskaper
    - S-serie (tung)
    - arbeidstrykk PN 400
    - rørstørrelse Ø T: 25 mm
    - S1: 36 mm
    - S2: 46 mm
    - Ø D1: 20 mm
    - Ø D2: 19 mm
    - L1: 42 mm
    - L2: 30 mm
    - L3: 49,5 mm
    - L4: 54 mm
  • I produktgrupper
  • Hydraulikknipler & rørkoblinger
  • Vurderinger

Tilbehør og reservedeler

Andre kjøpte også:

Logg inn
Choose country