Justerbar L-Kobling 10Mm Dkol i gruppen Hydraulikk / Hydraulikk / Hydraulikknipler & rørkoblinger hos Sagroparts (DIN30410DKOL)
Video

Justerbar L-Kobling 10Mm Dkol

165 NOK
inkl. mva
3–6 arbeidsdagers levering Sporing fra Sverige med PostNord Fast tollkostnad 95 NOK + mvaIngen skjulte avgifter i etterkant
 
Legg i handlekurven
Lägg i kundvagnen

bet alt
  • Info
  • Lagerstatus
    ArtikkelnummerDIN30410DKOL
    Produsent
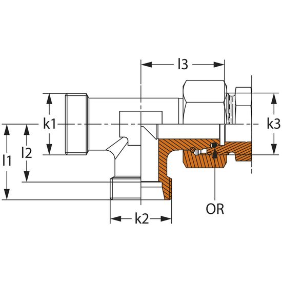
    Egenskaper
    - L-serie (lett)
    - arbeidstrykk PN 500
    - rørstørrelse Ø T: 10 mm
    - S1: 14 mm
    - S2: 19 mm
    - Ø D1: 8 mm
    - Ø D2: 6 mm
    - L1: 22 mm
    - L2: 15 mm
    - L3: 29 mm
    - L4: 30 mm
    - OR: 7,5x1,5
  • I produktgrupper
  • Hydraulikknipler & rørkoblinger
  • Vurderinger

Tilbehør og reservedeler

Andre kjøpte også:

Logg inn
Choose country