Justerbar L-Kobling 16Mm Dkos i gruppen Hydraulikk / Hydraulikk / Hydraulikknipler & rørkoblinger hos Sagroparts (DIN30416DKOS)
Video

Justerbar L-Kobling 16Mm Dkos

310 NOK
inkl. mva
3–6 arbeidsdagers levering Sporing fra Sverige med PostNord Fast tollkostnad 95 NOK + mvaIngen skjulte avgifter i etterkant
 
Legg i handlekurven
Lägg i kundvagnen

bet alt
  • Info
  • Lagerstatus
    ArtikkelnummerDIN30416DKOS
    Produsent
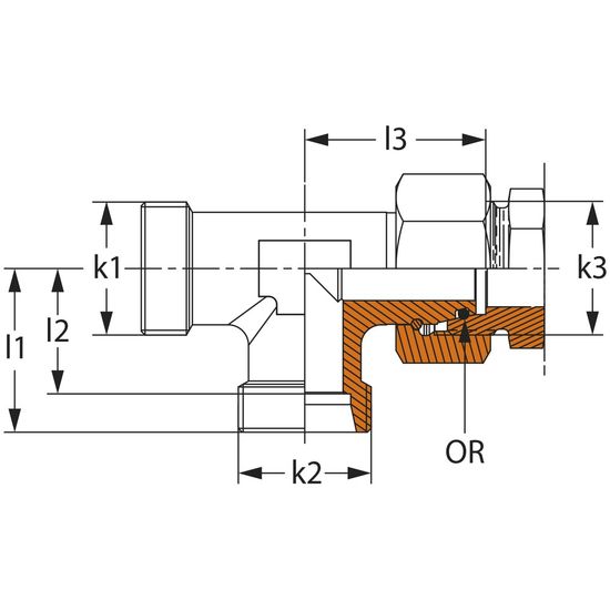
    Egenskaper
    - S-serie (tung)
    - arbeidstrykk PN 420
    - rørstørrelse Ø T: 16 mm
    - S1: 24 mm
    - S2: 30 mm
    - Ø D1: 12 mm
    - Ø D2: 10 mm
    - L1: 33 mm
    - L2: 24,5 mm
    - L3: 36,5 mm
    - L4: 43 mm
    - OR: 12x2
  • I produktgrupper
  • Hydraulikknipler & rørkoblinger
  • Vurderinger

Tilbehør og reservedeler

Andre kjøpte også:

Logg inn
Choose country