Justerbar L-Kopling 25Mm Dkos i gruppen Hydraulikk / Hydraulikk / Hydraulikknipler & rørkoblinger hos Sagroparts (DIN30425DKOS)
Video

Justerbar L-Kopling 25Mm Dkos

673 NOK
inkl. mva
3–6 arbeidsdagers levering Sporing fra Sverige med PostNord Fast tollkostnad 95 NOK + mvaIngen skjulte avgifter i etterkant
 
Legg i handlekurven
Lägg i kundvagnen

bet alt
  • Info
  • Lagerstatus
    ArtikkelnummerDIN30425DKOS
    Produsent
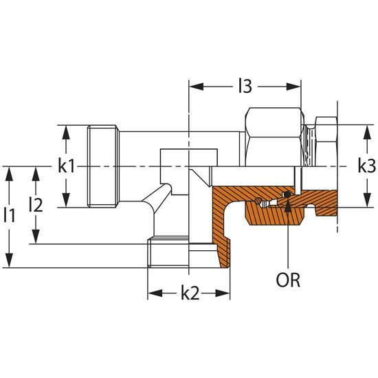
    Egenskaper
    - S-serie (tung)
    - arbeidstrykk PN 420
    - rørostørrelse Ø T: 25 mm
    - S1: 36 mm
    - S2: 46 mm
    - Ø D1: 20 mm
    - Ø D2: 18 mm
    - L1: 42 mm
    - L2: 30 mm
    - L3: 50 mm
    - L4: 54 mm
    - OR: 20x2,5
  • I produktgrupper
  • Hydraulikknipler & rørkoblinger
  • Vurderinger

Tilbehør og reservedeler

Andre kjøpte også:

Logg inn
Choose country