Justerbar L-Kopling 28Mm Dkol i gruppen Hydraulikk / Hydraulikk / Hydraulikknipler & rørkoblinger hos Sagroparts (DIN30428DKOL)
Video

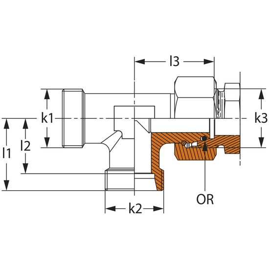
Justerbar L-Kopling 28Mm Dkol

584 NOK
inkl. mva
3–6 arbeidsdagers levering Sporing fra Sverige med PostNord Fast tollkostnad 95 NOK + mvaIngen skjulte avgifter i etterkant
 
Legg i handlekurven
Lägg i kundvagnen

bet alt
  • Info
  • Lagerstatus
    ArtikkelnummerDIN30428DKOL
    Produsent
    Egenskaper
    - L-serie (lett)
    - arbeidstrykk PN 250
    - rørostørrelse Ø T: 28 mm
    - S1: 36 mm
    - S2: 41 mm
    - Ø D1: 24 mm
    - Ø D2: 22 mm
    - L1: 38 mm
    - L2: 30,5 mm
    - L3: 41,5 mm
    - L4: 47 mm
    - OR: 26x2
  • I produktgrupper
  • Hydraulikknipler & rørkoblinger
  • Vurderinger

Tilbehør og reservedeler

Mutter 28Mm L M36X2, ideell for store og tunge konstruksjoner.
85 NOK
Kjøp!
Info
Skjærring 28mm L - ideell løsning for kvalitet og ytelse.
33 NOK
Kjøp!
Info

Andre kjøpte også:

Logg inn
Choose country