Justerbar L-Kopling 30Mm Dkos i gruppen Hydraulikk / Hydraulikk / Hydraulikknipler & rørkoblinger hos Sagroparts (DIN30430DKOS)
Video

Justerbar L-Kopling 30Mm Dkos

849 NOK
inkl. mva
3–6 arbeidsdagers levering Sporing fra Sverige med PostNord Fast tollkostnad 95 NOK + mvaIngen skjulte avgifter i etterkant
 
Legg i handlekurven
Lägg i kundvagnen

bet alt
  • Info
  • Lagerstatus
    ArtikkelnummerDIN30430DKOS
    Produsent
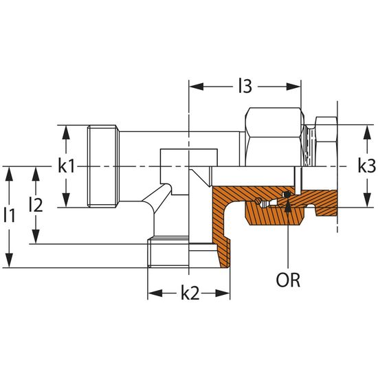
    Egenskaper
    - S-serie (tung)
    - arbeidstrykk PN 420
    - rørostørrelse Ø T: 30 mm
    - S1: 41 mm
    - S2: 50 mm
    - Ø D1: 25 mm
    - Ø D2: 23 mm
    - L1: 49 mm
    - L2: 35,5 mm
    - L3: 55,5 mm
    - L4: 62 mm
    - OR: 25x2,5
  • I produktgrupper
  • Hydraulikknipler & rørkoblinger
  • Vurderinger

Tilbehør og reservedeler

Mutter 30Mm S M42X2, sterk og holdbar, ideell for tungt belastede områder.
106 NOK
Kjøp!
Info
Skjærring 30mm S - kompakt og slitesterk for optimal bruk.
34 NOK
Kjøp!
Info

Andre kjøpte også:

Logg inn
Choose country