Justerbar Orfs 11/16-1/4 L-Adapter Utv.Gjenge i gruppen Hydraulikk / Hydraulikk / Hydraulikknipler & rørkoblinger hos Sagroparts (ORFS2630604)
Video

Justerbar Orfs 11/16-1/4 L-Adapter Utv.Gjenge

220 NOK
inkl. mva
3–6 arbeidsdagers levering Sporing fra Sverige med PostNord Fast tollkostnad 95 NOK + mvaIngen skjulte avgifter i etterkant
 
Legg i handlekurven
Lägg i kundvagnen

bet alt
  • Info
  • Lagerstatus
    ArtikkelnummerORFS2630604
    Produsent
    Egenskaper
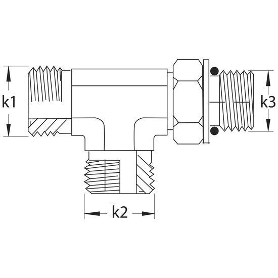
    - UNF utvendig gjenge ORFS - UNF utvendig gjenge ORFS - BSP utvendig gjenge O-ringstetning
    - rør Ø 8 - 10 mm
    - gjenge (k1/k2) UN 11/16" -16
    - gjenge (k3) G 1/4" -19
  • I produktgrupper
  • Hydraulikknipler & rørkoblinger
  • Vurderinger

Tilbehør og reservedeler

Andre kjøpte også:

Logg inn
Choose country