Justerbar Orfs 1.3/16-3/4 L-Adapter Utv.Gjenge i gruppen Hydraulikk / Hydraulikk / Hydraulikknipler & rørkoblinger hos Sagroparts (ORFS2631212)
Video

Justerbar Orfs 1.3/16-3/4 L-Adapter Utv.Gjenge

326 NOK
inkl. mva
3–6 arbeidsdagers levering Sporing fra Sverige med PostNord Fast tollavgift 95 NOK + mvaIngen avgifter etter levering
 
Legg i handlekurven
Lägg i kundvagnen

bet alt
  • Info
  • Lagerstatus
    ArtikkelnummerORFS2631212
    Produsent
    Egenskaper
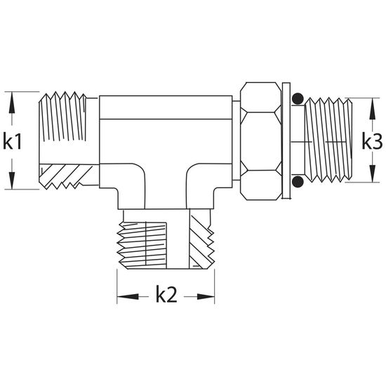
    - UNF utvendig gjenge ORFS - UNF utvendig gjenge ORFS - BSP utvendig gjenge O-ringstetning
    - rør Ø 18 - 20 mm
    - gjenge (k1/k2) UN 1 3/16" -12
    - gjenge (k3) G 3/4" -14
  • I produktgrupper
  • Hydraulikknipler & rørkoblinger
  • Vurderinger

Tilbehør og reservedeler

Andre kjøpte også:

Logg inn
Choose country