Justerbar T-Kobling 12Mm Dkos i gruppen Hydraulikk / Hydraulikk / Hydraulikknipler & rørkoblinger hos Sagroparts (DIN30312DKOS)
Video

Justerbar T-Kobling 12Mm Dkos

218 NOK
inkl. mva
3–6 arbeidsdagers levering Sporing fra Sverige med PostNord Fast tollkostnad 95 NOK + mvaIngen skjulte avgifter i etterkant
 
Legg i handlekurven
Lägg i kundvagnen

bet alt
  • Info
  • Lagerstatus
    ArtikkelnummerDIN30312DKOS
    Produsent
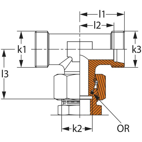
    Egenskaper
    - S-serie (tung)
    - arbeidstrykk PN 630
    - rørstørrelse Ø T: 12 mm
    - S1: 17 mm
    - S2: 24 mm
    - Ø D1: 8 mm
    - Ø D2: 7,5 mm
    - L1: 29 mm
    - L2: 21,5 mm
    - L3: 31 mm
    - L4: 38 mm
    - OR: 9x1,5
  • I produktgrupper
  • Hydraulikknipler & rørkoblinger
  • Vurderinger

Tilbehør og reservedeler

Andre kjøpte også:

Logg inn
Choose country