Justerbar T-Kobling 15Mm Dkol i gruppen Hydraulikk / Hydraulikk / Hydraulikknipler & rørkoblinger hos Sagroparts (DIN30315DKOL)
Video

Justerbar T-Kobling 15Mm Dkol

218 NOK
inkl. mva
3–6 arbeidsdagers levering Sporing fra Sverige med PostNord Fast tollkostnad 95 NOK + mvaIngen skjulte avgifter i etterkant
 
Legg i handlekurven
Lägg i kundvagnen

bet alt
  • Info
  • Lagerstatus
    ArtikkelnummerDIN30315DKOL
    Produsent
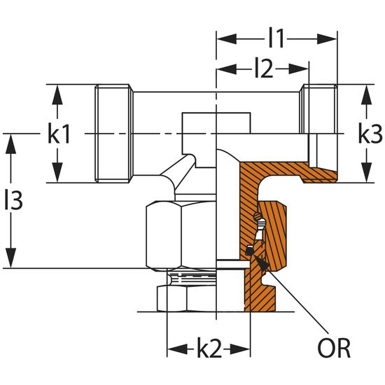
    Egenskaper
    - L-serie (lett)
    - arbeidstrykk PN 400
    - rørstørrelse Ø T: 15 mm
    - S1: 19 mm
    - S2: 27 mm
    - Ø D1: 12 mm
    - Ø D2: 9,5 mm
    - L1: 28 mm
    - L2: 21 mm
    - L3: 32,5 mm
    - L4: 36 mm
    - OR: 12x2
  • I produktgrupper
  • Hydraulikknipler & rørkoblinger
  • Vurderinger

Tilbehør og reservedeler

Andre kjøpte også:

Logg inn
Choose country