Justerbar T-Kobling 18Mm Dkol i gruppen Hydraulikk / Hydraulikk / Hydraulikknipler & rørkoblinger hos Sagroparts (DIN30318DKOL)
Video

Justerbar T-Kobling 18Mm Dkol

293 NOK
inkl. mva
3–6 arbeidsdagers levering Sporing fra Sverige med PostNord Fast tollkostnad 95 NOK + mvaIngen skjulte avgifter i etterkant
 
Legg i handlekurven
Lägg i kundvagnen

bet alt
  • Info
  • Lagerstatus
    ArtikkelnummerDIN30318DKOL
    Produsent
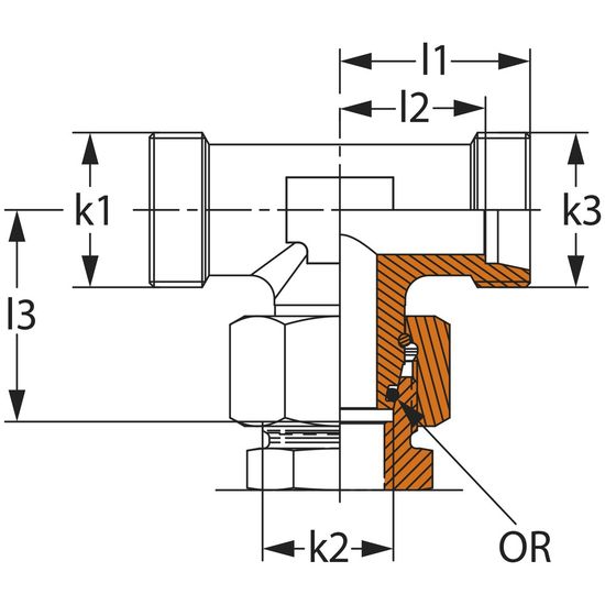
    Egenskaper
    - L-serie (lett)
    - arbeidstrykk PN 315
    - rørstørrelse Ø T: 18 mm
    - S1: 24 mm
    - S2: 32 mm
    - Ø D1: 15 mm
    - Ø D2: 12,5 mm
    - L1: 31 mm
    - L2: 23,5 mm
    - L3: 35,5 mm
    - L4: 40 mm
    - OR: 15x2
  • I produktgrupper
  • Hydraulikknipler & rørkoblinger
  • Vurderinger

Tilbehør og reservedeler

Andre kjøpte også:

Logg inn
Choose country