Justerbar T-Kobling 20Mm Dkos i gruppen Hydraulikk / Hydraulikk / Hydraulikknipler & rørkoblinger hos Sagroparts (DIN30320DKOS)
Video

Justerbar T-Kobling 20Mm Dkos

449 NOK
inkl. mva
3–6 arbeidsdagers levering Sporing fra Sverige med PostNord Fast tollkostnad 95 NOK + mvaIngen skjulte avgifter i etterkant
 
Legg i handlekurven
Lägg i kundvagnen

bet alt
  • Info
  • Lagerstatus
    ArtikkelnummerDIN30320DKOS
    Produsent
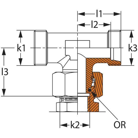
    Egenskaper
    - S-serie (tung)
    - arbeidstrykk PN 420
    - rørstørrelse Ø T: 20 mm
    - S1: 27 mm
    - S2: 36 mm
    - Ø D1: 16 mm
    - Ø D2: 13,5 mm
    - L1: 37 mm
    - L2: 26,5 mm
    - L3: 44,5 mm
    - L4: 48 mm
    - OR: 16x2,5
  • I produktgrupper
  • Hydraulikknipler & rørkoblinger
  • Vurderinger

Tilbehør og reservedeler

Sterk mutter 20Mm S M30X2, perfekt for profesjonell bruk.
71 NOK
Kjøp!
Info
Skjærring 20mm S - pålitelig og holdbar komponent for landbruksmaskiner.
26 NOK
Kjøp!
Info

Andre kjøpte også:

Logg inn
Choose country