Justerbar T-Kobling 8Mm i gruppen Hydraulikk / Hydraulikk / Hydraulikknipler & rørkoblinger hos Sagroparts (DIN30308L)
Video

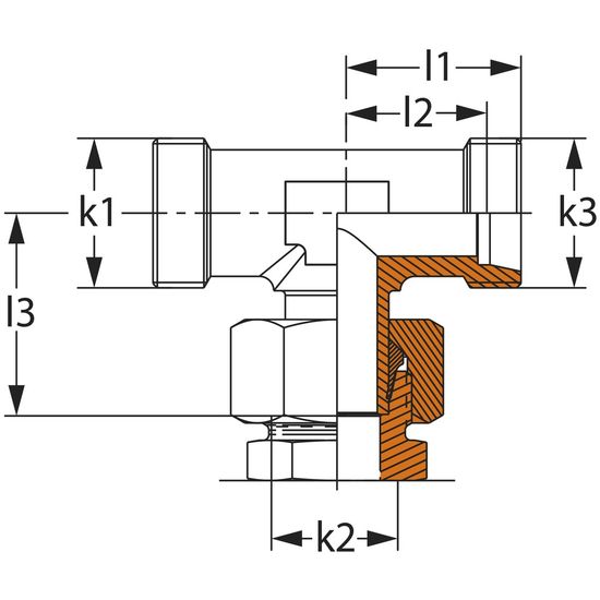
Justerbar T-Kobling 8Mm

106 NOK
inkl. mva
3–6 arbeidsdagers levering Sporing fra Sverige med PostNord Fast tollkostnad 95 NOK + mvaIngen skjulte avgifter i etterkant
 
Legg i handlekurven
Lägg i kundvagnen

bet alt
  • Info
  • Lagerstatus
    ArtikkelnummerDIN30308L
    Produsent
    Egenskaper
    - L-serie (lett)
    - arbeidstrykk PN 315
    - rørstørrelse Ø T: 8 mm
    - S1: 12 mm
    - S2: 17 mm
    - Ø D1: 6 mm
    - Ø D2: 5,5 mm
    - L1: 21 mm
    - L2: 14 mm
    - L3: 27 mm
    - L4: 29 mm
  • I produktgrupper
  • Hydraulikknipler & rørkoblinger
  • Vurderinger

Tilbehør og reservedeler

Andre kjøpte også:

Logg inn
Choose country