Hydraulikkpumpe 14 Gruppe-2 Flenskobling Moturs

2080 NOK
inkl. mva
3–6 arbeidsdagers levering Sporing fra Sverige med PostNord Fast tollkostnad 95 NOK + mvaIngen skjulte avgifter i etterkant
 
Legg i handlekurven
Lägg i kundvagnen

bet alt
  • Info
  • Lagerstatus
    ArtikkelnummerHP2F14S
    Produsent
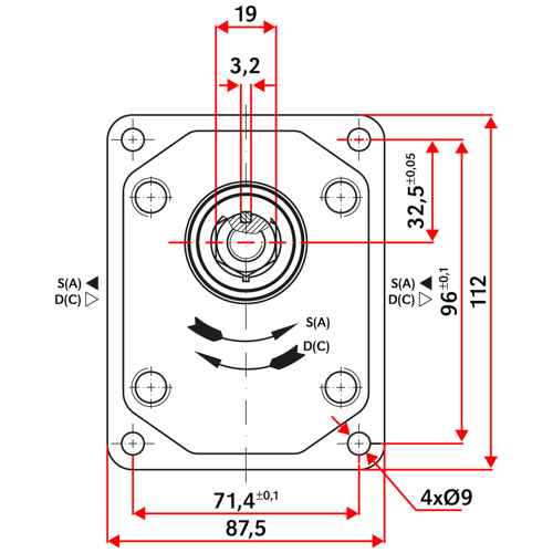
    Egenskaper
    - aluminiumhus
    - flensmontering
    - konisk aksel 1:8
    - rotasjonsretning venstregående (moturs) S (A)
    - rotasjonskapasitet 14 cm³/r
    - maks. 3500 o/min
    - maks. trykk 250 bar
    - gjennomstrømning 19,95 l/min (ved 1500 o/min)
    - gjennomstrømning 46,55 l/min (maks. o/min)
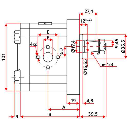
    - A 50 mm
    - B 95,4 mm
    - inntak E 39,7 mm / F 19 mm / d M8
    - uttak E 30,2 mm / F 14,2 mm / d M6
  • I produktgrupper
  • Hydraulikkpumper
  • Vurderinger

Andre kjøpte også:

FLEKSIBEL KOBLINGSSATS 63MM HE14 - pålitelig og slitesterk for dine maskiner.
484 NOK
- aksel Ø 24 mm
- pumpe 2-serie, konisk aksel 1:8 (euro)
- type HE14
- aluminium
Kjøp!
Info
Retningsventil 3/8" - maks 40 l/min 2-SPOLE, for presise hydraulikkløsninger.
2488 NOK
Type: 2 seksjoner
Dobbeltvirkende
Kjøp!
Info
PVC-sete som tilbyr slitestyrke og komfort for krevende arbeidsmiljøer.
1971 NOK
Kjøp!
Info
Logg inn
Choose country