Komplett hydraulikksett 6/2, 3/8
Video

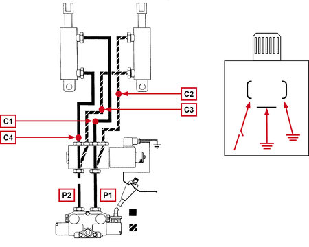
Komplett hydraulikksett 6/2, 3/8" for ekstrakapasitet, f.eks. tredje funksjon - frontlaster

4944 NOK
inkl. mva
3–6 arbeidsdagers levering Sporing fra Sverige med PostNord Fast tollavgift 95 NOK + mvaIngen avgifter etter levering
 
Legg i handlekurven
Lägg i kundvagnen

bet alt
  • Info
  • Lagerstatus
    ArtikkelnummerFM2503
    ProdusentAGRILIFE
    Egenskaper3/8"
    for ekstrakostnad, f.eks. tredjefunksjon - frontlaster
    Maks. flyt 50 l/min
    - 6/2-ventil (såkalt velgerventil)
    - Ved hjelp av velgerventilen kan du enkelt øke antallet hydraulikklinjer på arbeidsmaskinen og få mer ut av hydraulikken. I de fleste maskiner er installasjon av ekstra ventiler svært dyrt og komplisert, så denne ventilen tilbyr en kostnadseffektiv løsning.
    - Ventilen styres med en elektrisk bryter, som kan være enten en trykknapp eller en fast bryter.
    - Bruksområder: arbeidsmaskiner, fôrskjærere, ulike front- og baklastere, hydrauliske skyvearmer og tiltregulatorer, andre tilsvarende hydrauliske tilleggsaggregater
    - Ventilen kan også monteres direkte på arbeidsmaskinen. Den er av stabelbar modell, noe som betyr at en annen tilsvarende ventil kan kobles i serie, slik at hydraulikken får to ekstra linjer.
    - Når du kobler sammen én eller flere ventiler, anbefales det å bruke minst bolter eller gjengestenger i styrkeklasse 8.8.

    Tekniske data:
    - Spenning 12 V
    - Tilkoblinger 1/2" ISO A traktors hurtigkobling 2 x hann, 4 x hunn
    - Maks. strømning 50 l/min
    - Maks. trykk 315 bar (dreneringslinje tilkoblet) / 210 bar (dreneringslinje ikke tilkoblet)
    - Slanger 2SC 3/8", lengde 900 mm
  • I produktgrupper
  • Hydraulikkventiler
  • Vurderinger

Tilbehør og reservedeler

Andre kjøpte også:

Effektiv velger ventil 6/2, 1/2" 12V for presisjonskontroll i hydraulikk.
2793 NOK
Maks. strømning 70 l/min
Kjøp!
Info
1/2" returventil med maks flyt på 70 l/min, for presisjon.
319 NOK
Type: VU
Maks. trykk: 350 bar
Kjøp!
Info
Returventil 3/8 tomme med en maks kapasitet av 45 liter per minutt, ideell for små systemer.
233 NOK
Type: VU
Maks. trykk: 350 bar
Kjøp!
Info
Håndtak for joystick uten bryter, perfekt for jevn bruk.
535 NOK
Håndtak uten bryter
Kjøp!
Info
Logg inn
Choose country