LASTEPAKKE FRONTLASTER 90L OP+2M KABEL+JOYSTICK

9605 NOK
inkl. mva
3–6 arbeidsdagers levering Sporing fra Sverige med PostNord Fast tollavgift 95 NOK + mvaIngen avgifter etter levering
 
Legg i handlekurven
Lägg i kundvagnen

bet alt
  • Info
  • Lagerstatus
    ArtikkelnummerNV452SETOP
    Produsent
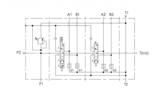
    EgenskaperType: 2 seksjoner
    Arbeidstrykk: 250 bar
    Tekniske spesifikasjoner:
    - kabelstyrt lasterpakke for frontlaster
    - inneholder joystick med 2 brytere og lås, 2 m kabler og serienippel
    - rundpumpe
    - justerbar sikkerhetsventil
    - 2-seksjoner (flytposisjon i den ene, 4 posisjoner)
    - arbeidstrykk 250 bar
    - gjennomstrømning 90 l/min
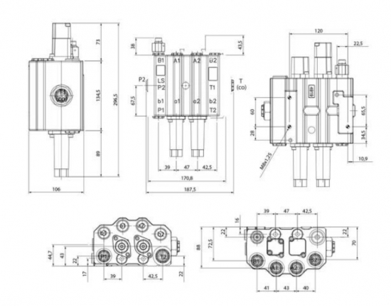
    - P1/P2/T1-port G 1/2"
    - A/B-arbeidsport G 1/2"
    - T2/T(CO)-port G 3/4"

    Egnede kabler finnes i relaterte produkter.
    Andre lengder kan kjøpes.


    Monteringsveiledning NV452SETOP / NV452SETLS

    Anbefalt temperatur for hydraulikkolje -20 til +90⁰C.

    Anbefalt renhetsklasse for olje 20/18/15 ISO4406.

    Antall spindler 2 stk

    Flytfunksjon med låseposisjon for spindel 1.

    Maks gjennomstrømning 90 ltr/min

    Maks arbeidstrykk 250 bar

    Bevegelser:

    Når du drar joysticken mot deg, heves lasteren.

    Ved å skyve joysticken fra deg senkes lasteren.

    Ved å skyve joysticken helt frem låses den i flytposisjonen, slik at lasteren kan tilpasse seg terrengets konturer.

    Ved manøvrering mot venstre tippes skuffen ned.

    Ved manøvrering mot høyre vippes skuffen opp.

    Mekanisk montering:

    Monter ventilpakken godt fast, slik at den ikke beveger seg eller løsner.

    Monter joysticken på et ergonomisk godt sted, slik at den er enkel, sikker og ergonomisk å bruke.

    Hydraulisk tilkobling:

    A1 Kobles til lasterens løft. B1 Kobles til lasterens senk.

    A2 Kobles til vinkle opp skuffen. B2 Kobles til tipp skuffen.

    T2 eller T1 kobles til tankledningen/retur.

    T(CO) er en serieport med en forhåndskoblet serienippel i OP-modellen. Her kobles trykkledningen som viderefører til traktorens ordinære hydraulikkventilpakke.

    Hvis det ikke vil kobles til ytterligere en hydraulikkventil etter denne lasterventilen, skal serieporten T(CO) også kobles til tankledningen.

    P1/P2 trykkledningen (trykkinntak), her kobles trykkledningen fra hydraulikkpumpen.

    LS-modellen har ingen serienippel, men en tankledning.

    (LS-ledningen (kun i den lastkjennende LS-modellen) er koblet til maskinens egen LS-krets.

  • I produktgrupper
  • Hydraulikkventiler
  • Vurderinger

Tilbehør og reservedeler

Vaier med lengde 1500 mm, Morse type, anvendelig innen mange maskiner.
1100 NOK
Maks. arbeidsbelastning: 2500 N
Kjøp!
Info
1650 mm Morse vaier, perfekt for reparasjon av landbruksutstyr.
963 NOK
Maks. arbeidsbelastning: 2500 N
Kjøp!
Info
1800 mm lang Morse vaier, ideell for forskjellige maskiner innen landbruk.
946 NOK
Maks. arbeidsbelastning: 2500 N
Kjøp!
Info
Morse vaier som er 2000 mm, egnet for forskjellige maskiner og utstyr.
900 NOK
Maks. arbeidsbelastning: 2500 N
Kjøp!
Info
2250 mm lang Morse vaier, ideell for maskiner innen landbruket.
1064 NOK
Maks. arbeidsbelastning: 2500 N
Kjøp!
Info
Morse vaier med lengde på 2500 mm, perfekt for ulike maskinbehov.
1064 NOK
Maks. arbeidsbelastning: 2500 N
Kjøp!
Info
Morse vaier, 3000 mm lang, pålitelig og robust for maskiner.
1114 NOK
Maks. arbeidsbelastning: 2500 N
Kjøp!
Info
Hydraulikkpakke med 6/2 ventil, perfekt for frontlaster og ekstra funksjoner.
5764 NOK
1/2"
for ekstrakostnad, f.eks. tredjefunksjon - frontlaster
Maks. flyt 60 l/min
Kjøp!
Info
NV452 sjokkkventil for trykk mellom 150-200 BAR, perfekt for effektiv drift.
991 NOK
Trykkområde: 150-200 bar
Kjøp!
Info
NV452 sjokkkventil designet for trykk mellom 200-250 BAR, pålitelig og holdbar.
991 NOK
Trykkområde: 200-250 bar
Kjøp!
Info

Andre kjøpte også:

Hydraulikksylinder 40x25x250 Malt, holdbar og robust for respekterte maskiner.
2119 NOK
Innbygningsmål 400 mm
Arbeidstrykk maks 210 bar
Dobbeltvirkende (Kan bli enkeltvirkende)
Kjøp!
Info
Hydraulcylinder 40x25X350, malt for økt holdbarhet og ytelse.
2244 NOK
Innbyggingsmål 500 mm 
Arbeidstrykk maks 210 bar
Dobbeltvirkende (Kan gjøres enke...
Kjøp!
Info
Effektiv velger ventil 6/2, 1/2" 12V for presisjonskontroll i hydraulikk.
2793 NOK
Maks. strømning 70 l/min
Kjøp!
Info
1/2" returventil med maks flyt på 70 l/min, for presisjon.
319 NOK
Type: VU
Maks. trykk: 350 bar
Kjøp!
Info
Logg inn
Choose country