Hette 1/4 Inv Messing i gruppen Hydraulikk / Pneumatikk / Adaptere og rørkoblinger hos Sagroparts (MWA804)
Video

Hette 1/4 Inv Messing

46 NOK
inkl. mva
3–6 arbeidsdagers levering Sporing fra Sverige med PostNord Fast tollkostnad 95 NOK + mvaIngen skjulte avgifter i etterkant
 
Legg i handlekurven
Lägg i kundvagnen

bet alt
  • Info
  • Lagerstatus
    ArtikkelnummerMWA804
    ProdusentMETAL WORK
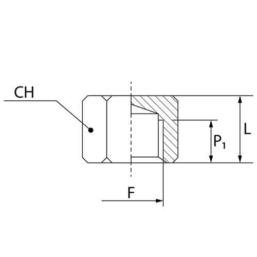
    Egenskaper
    - blindmuffe (A8)
    - materiale OT58 messing
    - arbeidstrykk maks. 60 bar
    - gjenge G 1/4"

    Mål (mm):
    - F 1/4"
    - CH 17
    - P1 8
    - L 15
  • I produktgrupper
  • Adaptere og rørkoblinger
  • Vurderinger

Andre kjøpte også:

Logg inn
Choose country