T-Kobling 1/2 Utv-Utv-Inv Messing i gruppen Hydraulikk / Pneumatikk / Adaptere og rørkoblinger hos Sagroparts (MWA1708)
Video

T-Kobling 1/2 Utv-Utv-Inv Messing

144 NOK
inkl. mva
3–6 arbeidsdagers levering Sporing fra Sverige med PostNord Fast tollkostnad 95 NOK + mvaIngen skjulte avgifter i etterkant
 
Legg i handlekurven
Lägg i kundvagnen

bet alt
  • Info
  • Lagerstatus
    ArtikkelnummerMWA1708
    ProdusentMETAL WORK
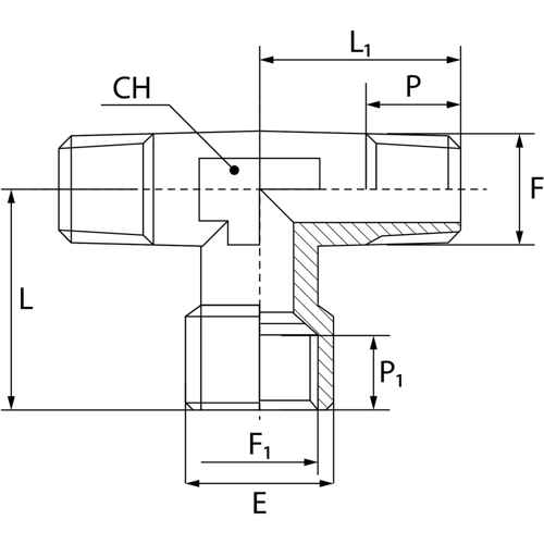
    Egenskaper
    - T-sammenkobling utvendig/utvendig/innvendig gjenge (A17)
    - materiale OT58 messing
    - arbeidstrykk maks. 60 bar
    - gjenge G 1/2"

    Mål (mm):
    - F 1/2"
    - F1 1/2"
    - CH 20
    - P 13
    - P1 11
    - L 36
    - L1 30
    - E 25,5
  • I produktgrupper
  • Adaptere og rørkoblinger
  • Vurderinger

Andre kjøpte også:

Logg inn
Choose country