Vinkelkobling 1/2 90 Inv Messing i gruppen Hydraulikk / Pneumatikk / Adaptere og rørkoblinger hos Sagroparts (MWA908)
Video

Vinkelkobling 1/2 90 Inv Messing

150 NOK
inkl. mva
3–6 arbeidsdagers levering Sporing fra Sverige med PostNord Fast tollavgift 95 NOK + mvaIngen avgifter etter levering
 
Legg i handlekurven
Lägg i kundvagnen

bet alt
  • Info
  • Lagerstatus
    ArtikkelnummerMWA908
    ProdusentMETAL WORK
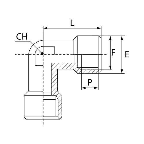
    Egenskaper
    - 90° vinkelnippel innvendig/innvendig gjenge (A9)
    - materiale OT58 messing
    - arbeidstrykk maks. 60 bar
    - gjenge G 1/2"

    Mål (mm):
    - F 1/2"
    - CH 20
    - P 11
    - L 36
    - E 25,5
  • I produktgrupper
  • Adaptere og rørkoblinger
  • Vurderinger

Andre kjøpte også:

Logg inn
Choose country