Sporkulelager 20X52X15 Skf i gruppen Maskin- og traktortilbehør / Lagere / Kulelagere hos Sagroparts (SKFW6304-2RS1)
Video

Sporkulelager 20X52X15 Skf

2361 NOK
inkl. mva
3–6 arbeidsdagers levering Sporing fra Sverige med PostNord Fast tollkostnad 95 NOK + mvaIngen skjulte avgifter i etterkant
 
Legg i handlekurven
Lägg i kundvagnen

bet alt
  • Info
  • Lagerstatus
    ArtikkelnummerSKFW6304-2RS1
    Produsent
    Egenskaper
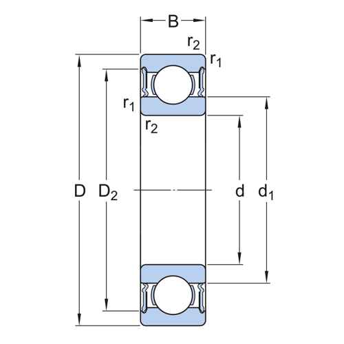
    Mål:
    - holdiameter (d) 20 mm
    - ytterdiameter (D) 52 mm
    - bredde (B) 15 mm
    - innerringens skulderdiameter (d1) 30 mm
    - diameter for klaring av innerringens skulder (d2) 30 mm
    - diameter for klaring av ytterringens skulder (D2) 45,4 mm
    - ytterringens fasemål (r1,2) min. 1,1 mm

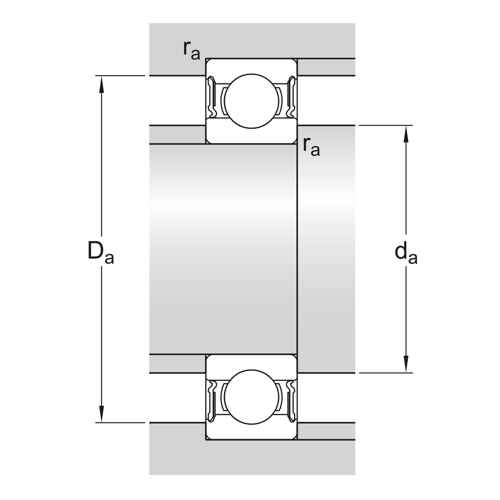
    Innebyggingsmål:
    - akselens innebyggingsdiameter (da) min. 26,5 mm
    - akselens innebyggingsdiameter (da) max. 29,5 mm
    - innebyggingsdiameter for hus (Da) max. 46 mm
    - radiefilét (ra) max. 1 mm

    Beregnet data:
    - dynamisk bæreevne (C) 13,8 kN
    - statisk bæreevne (C0) 7,8 kN
    - utmattingsbelastning (Pu) 0,335 kN
    - grensehastighet 9500 o/min
    - beregningsfaktor (kr) 0,035
    - beregningsfaktor (f0) 12,3
  • I produktgrupper
  • Kulelagere
  • Vurderinger

Andre kjøpte også:

Logg inn
Choose country