Sporkulelager 25X47X8 Skf i gruppen Maskin- og traktortilbehør / Lagere / Kulelagere hos Sagroparts (SKF16005)
Video

Sporkulelager 25X47X8 Skf

318 NOK
inkl. mva
3–6 arbeidsdagers levering Sporing fra Sverige med PostNord Fast tollkostnad 95 NOK + mvaIngen skjulte avgifter i etterkant
 
Legg i handlekurven
Lägg i kundvagnen

bet alt
  • Info
  • Lagerstatus
    ArtikkelnummerSKF16005
    Produsent
    Egenskaper
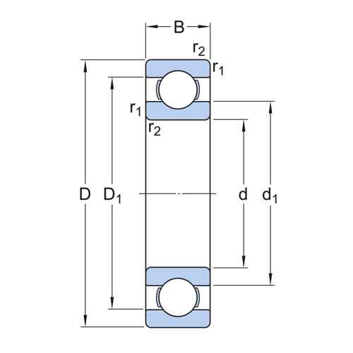
    Mål:
    - hulldiameter (d) 25 mm
    - ytterdiameter (D) 47 mm
    - bredde (B) 8 mm
    - innerringens skuldediameter (d1) 33,35 mm
    - innerringens skuldediameter/husbrickens indre diameter (D1) 40,4 mm
    - ytterringens fasmål (r1,2) min. 0,3 mm

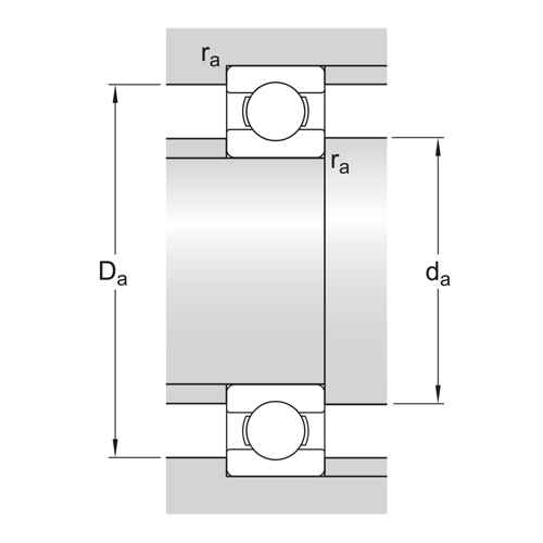
    Innebygningsmål:
    - akselens innebygningsdiameter (da) min. 27 mm
    - innebygningsdiameter for hus (Da) maks. 45 mm
    - kileradius (ra) maks. 0,3 mm

    Beregnet data:
    - dynamisk bæreevne (C) 8,06 kN
    - statisk bæreevne (C0) 4,75 kN
    - utmattingsbelastning (Pu) 0,212 kN
    - referanse turtall 32000 o/min
    - grenseturtall 20000 o/min
    - beregningsfaktor (kr) 0,02
    - beregningsfaktor (f0) 15
  • I produktgrupper
  • Kulelagere
  • Vurderinger

Andre kjøpte også:

Logg inn
Choose country