Hylse med 2x innvendig gjenge, PVC-U i gruppen Skog & hage / Vanning / Vannkoblinger hos Sagroparts (40504051505)
Video

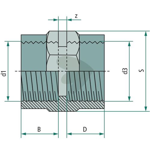
Hylse med 2x innvendig gjenge, PVC-U

500 NOK
inkl. mva
3–6 arbeidsdagers levering Sporing fra Sverige med PostNord Fast tollkostnad 95 NOK + mvaIngen skjulte avgifter i etterkant
 
Legg i handlekurven
Lägg i kundvagnen

bet alt
  • Info
  • Lagerstatus
    Artikkelnummer40504051505
    Produsent
    EgenskaperInv. gjenge (tommer): 1 1/4" - 2"
    D (mm): 28
    Ø d1 (tommer): 1 1/4"
    d2 (tommer): 2"
    Z (mm): 13
    Inv. gjenge (tommer): 1 1/4" ? 2"
    Materiale: PVC-U
    Nøkkelvidde (mm): 80
    B (mm): 23
    Maks. arbeidstrykk (bar): 10
  • I produktgrupper
  • Vannkoblinger
  • Vurderinger

Andre kjøpte også:

Logg inn
Choose country