Kragbøssing for O-ring / T-ring tetning, PVC-U, støpte i gruppen Skog & hage / Vanning / Vannkoblinger hos Sagroparts (40504050538)
Video

Kragbøssing for O-ring / T-ring tetning, PVC-U, støpte

2454 NOK
inkl. mva
3–6 arbeidsdagers levering Sporing fra Sverige med PostNord Fast tollkostnad 95 NOK + mvaIngen skjulte avgifter i etterkant
 
Legg i handlekurven
Lägg i kundvagnen

bet alt
  • Info
  • Lagerstatus
    Artikkelnummer40504050538
    Produsent
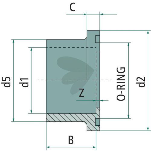
    EgenskaperIndre Ø (mm): 250
    B (mm): 131
    C (mm): 23
    d5 (mm): 274
    passende O-ring & T-ring: 266 x 7
    Indre Ø (mm): 250
    Materiale: PVC-U
    Ytre-Ø (mm): 274
    Z (mm): 9
    Bunt-Ø (mm): 303
    d1 (mm): 250
    d2 (mm): 303
  • I produktgrupper
  • Vannkoblinger
  • Vurderinger

Andre kjøpte også:

Logg inn
Choose country