Reduserende hylse for liming, PVC-U i gruppen Skog & hage / Vanning / Vannkoblinger hos Sagroparts (4050110704)
Video

Reduserende hylse for liming, PVC-U

121 NOK
inkl. mva
3–6 arbeidsdagers levering Sporing fra Sverige med PostNord Fast tollkostnad 95 NOK + mvaIngen skjulte avgifter i etterkant
 
Legg i handlekurven
Lägg i kundvagnen

bet alt
  • Info
  • Lagerstatus
    Artikkelnummer4050110704
    Produsent
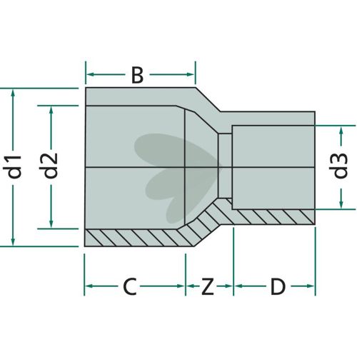
    EgenskaperIndre Ø (mm): 25 x 16
    C (mm): 19
    D (mm): 14
    B (mm): 22
    Arbeidstrykk maks. (bar): 16
    Z (mm): 9,5
    d1 (mm): 32
    d2 (mm): 25
    d3 (mm): 16
    Indre Ø (mm): 25 ? 16
    Materiale: PVC-U
  • I produktgrupper
  • Vannkoblinger
  • Vurderinger

Andre kjøpte også:

Logg inn
Choose country