Hydraulikkpumpe 20 Gruppe-3 BSP-gjenge Med klokka

4046 NOK
inkl. mva
3–6 arbeidsdagers levering Sporing fra Sverige med PostNord Fast tollkostnad 95 NOK + mvaIngen skjulte avgifter i etterkant
 
Legg i handlekurven
Lägg i kundvagnen

bet alt
  • Info
  • Lagerstatus
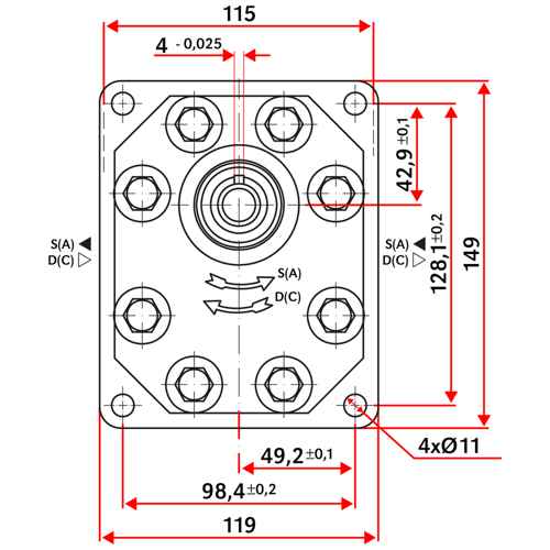
    ArtikkelnummerHP3G20D
    Produsent
    Egenskaper
    - aluminiumhus
    - gjengede porter
    - konisk aksel 1:8
    - rotasjonsretning høyregående (med klokken) D (C)
    - rotasjonskapasitet 20 cm³/r
    - maks. 3000 rpm
    - maks. trykk 250 bar
    - flyt 28,2 l/min (ved 1500 rpm)
    - flyt 56,4 l/min (maks. rpm)
    - A 56,1 mm
    - B 116,7 mm
    - innløp G3/4"
    - utløp G3/4"
  • I produktgrupper
  • Hydraulikkpumper
  • Vurderinger

Andre kjøpte også:

FLEKSIBEL KOBLINGSSATS 63MM HE14 - pålitelig og slitesterk for dine maskiner.
484 NOK
- aksel Ø 24 mm
- pumpe 2-serie, konisk aksel 1:8 (euro)
- type HE14
- aluminium
Kjøp!
Info
Dobbeltvirkende håndpumpe for hydrauliske systemer og effektivitet.
2270 NOK
Dobbeltvirkende
25 cm³
Kjøp!
Info
Logg inn
Choose country