Hydraulpumpe 25 Gruppe-3 Flenskobling Medurs

3780 NOK
inkl. mva
3–6 arbeidsdagers levering Sporing fra Sverige med PostNord Fast tollkostnad 95 NOK + mvaIngen skjulte avgifter i etterkant
 
Legg i handlekurven
Lägg i kundvagnen

bet alt
  • Info
  • Lagerstatus
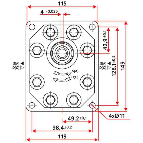
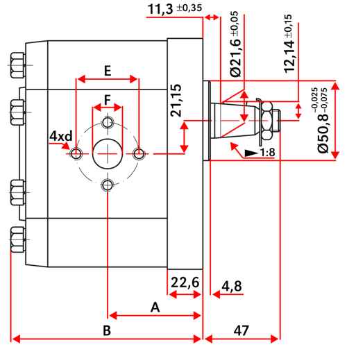
    ArtikkelnummerHP3F25D
    Produsent
    Egenskaper
    - aluminiumhus
    - flensmontering
    - konisk aksel 1:8
    - rotasjonsretning høyregående (medurs) D (C)
    - rotasjonskapasitet 25 cm³/r
    - maks. 3000 o/min
    - maks. trykk 250 bar
    - flyt 35,3 l/min (ved 1500 o/min)
    - flyt 70,5 l/min (maks. o/min)
    - A 58,3 mm
    - B 121,1 mm
    - innløp E 40 mm / d M8 / F 19 mm
    - utløp E 40 mm / d M8 / F 19 mm
  • I produktgrupper
  • Hydraulikkpumper
  • Vurderinger

Andre kjøpte også:

FLEKSIBEL KOBLINGSSATS 63MM HE14 - pålitelig og slitesterk for dine maskiner.
484 NOK
- aksel Ø 24 mm
- pumpe 2-serie, konisk aksel 1:8 (euro)
- type HE14
- aluminium
Kjøp!
Info
Dobbeltvirkende håndpumpe for hydrauliske systemer og effektivitet.
2270 NOK
Dobbeltvirkende
25 cm³
Kjøp!
Info
Logg inn
Choose country